Yamato-Saidaiji 大和西大寺 | |
|---|---|
![]() | |
| General information | |
| Location | 1-1, Saidaiji Kunimichō Itchōme, Nara, Nara (奈良県奈良市西大寺国見町1丁目1-1) Japan |
| Coordinates | 34°41′38″N 135°46′58″E / 34.69389°N 135.78278°E |
| Operated by | Kintetsu Railway |
| Line(s) | |
| Connections |
|
| Other information | |
| Station code | A26, B26 |
| History | |
| Opened | 1914 |
| Previous names | Saidaiji; Daiki Saidaiji (until 1941) |
Yamato-Saidaiji Station (大和西大寺駅, Yamato Saidaiji-eki) is a railway station owned by Kintetsu Railway and located in Saidaiji Kunimichō Itchōme, a suburb of the city of Nara in Japan. The station is also called Kintetsu Saidaiji Station (近鉄西大寺駅) or Saidaiji Station (西大寺駅).
Lines
- Kintetsu
- Nara Line (A26)
- Kyoto Line, Kashihara Line (B26)
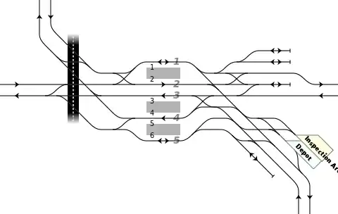
Yamato-Saidaiji Station is a junction of lines coming from four directions: the Nara line from Osaka in the west and Nara in the east, the Kyoto line from Kyoto in the north, and the Kashihara Line from Kashihara in the south.[1]
Layout

This station has three island platforms serving five tracks on the ground. The station building is located to the north and south of the platforms and tracks, connecting NaRa Family, bus stops and taxi stands from the north gates and connecting the overbridge from the south gates.
Station shopping mall "Time's Place Saidaiji" is located on the 2nd level, housing 32 stores such as restaurants, souvenir stores and convenience store Family Mart. The shopping mall opened on September 11, 2009, with the location of 3 elevators connecting a platform each.
| 1, 2 | ■ Nara Line | A for Nara |
| ■ Kashihara Line | B for Yamato-Yagi and Kashiharajingu-mae / H for Tenri M for Ise-Shima E Change trains at Yamato-Yagi for Nagoya F Change trains at Kashiharajingu-mae for Yoshino | |
| 3, 4, 5 | ■ Nara Line | A for Gakuen-mae, Fuse, Ōsaka Namba, Amagasaki, Koshien and Kobe Sannomiya |
| ■ Kyōto Line | B for Takanohara, Tambabashi, Kyōto and Kokusaikaikan | |
| 6 | ■ Kashihara Line | B starting for Yamato-Yagi and Kashiharajingu-mae H starting for Tenri (mainly local trains) |
| ■ Nara Line | A local trains and semi-express trains for Ōsaka Namba (only a few trains) |
| Kyoto Line to Kyoto | ||
| Nara Line to Ōsaka Namba | ![]() | Nara Line to Kintetsu Nara |
| Kashihara Line to Kashiharajingū-mae |
Surroundings
North
- NaRaFamily
- Kintetsu Department Store Nara
- ÆON Nara
- Sanwa City Saidaiji
- Akishino-dera
- Place Heijō Palace used to be
South
- Kintetsu Saidaiji Building
- Kintetsu Saidaiji Shopping Center
- SupermarketKINSHO Saidaiji
- Kintetsu Saidaiji Shopping Center
- Kintetsu Daini Saidaiji Building
- Saidaiji Daini Shopping Center
- Saidai-ji
- Saidaiji Police Box
- Kintetsu Saidaiji Inspection Depot
Bus stops
Buses are operated by Nara Kotsu Bus Lines Co., Ltd.
- Bus stop 1
- Route 11 for Ichijo Senior High School
- Route 12 for JR Nara Station via Hokkeji, Ichijo Senior High School and Kintetsu Nara Station
- Route 14 for JR Nara Station via JASDF Nara Base, Hokkeji, Ichijo Senior High School and Kintetsu Nara Station
- Route 73 for Utahimecho
- Bus stop 2
- Route 72 for Oshikuma
Incidents
On 8 July 2022, the area near the north entrance of the station became a crime scene when former Japanese Prime Minister Shinzo Abe was assassinated while campaigning around the vicinity.[3]
Adjacent stations
| « | Service | » | ||
|---|---|---|---|---|
| Kintetsu Railway | ||||
| Nara Line (A26) | ||||
| Ayameike (A21) | Local | Shin-Ōmiya (A27) | ||
| Ayameike (A21) | Suburban Semi-Express | Shin-Ōmiya (A27) | ||
| Ayameike (A21) | Semi-Express | Shin-Ōmiya (A27) | ||
| Gakuen-mae (A20) | Express | Shin-Ōmiya (A27) | ||
| Gakuen-mae (A20) | Rapid Express | Shin-Ōmiya (A27) | ||
| Gakuen-mae (A20) | Limited Express (Ōsaka - Nara) | Kintetsu Nara (A28) | ||
| Kyoto Line (B26) | ||||
| Heijo (B25) | Local | Amagatsuji (B27: Kashihara Line) | ||
| Takanohara (B24) | Express | Shin-Omiya (A27: Nara Line) Nishinokyo(B28: Kashihara Line) /Kintetsu Koriyama | ||
| Kintetsu Tambabashi (B07) Takanohara (B24) (northbound: first train - 9:40 a.m.) (southbound: departing from Kyōto after 3 p.m.) |
Limited Express (Kyōto - Nara, Kashihara) | Kintetsu Nara (A28: Nara Line) Kashihara Line | ||
| Kintetsu Tambabashi (B07) Takanohara (B24) (northbound: 1 in the morning) (southbound: 2 after 3 p.m.) |
Limited Express (Kyōto - Ise) | Yamato-Yagi (B39: Kashihara Line) | ||
| Kintetsu Tambabashi (B07) | Limited Express "Shimakaze" | Yamato-Yagi (B39: Kashihara Line) | ||
| Kashihara Line (B26) | ||||
| Heijo (B25: Kyoto Line) | Local | Amagatsuji (B27) | ||
| Takanohara (B24: Kyoto Line) | Express | Nishinokyō (B28) (non-rush hour) Kintetsu Kōriyama (B30) | ||
| Kyoto Line | Limited Express (Kyōto - Kashihara) | Nishinokyō (B28) (non-rush hour) Yamato-Yagi (B39) | ||
| Kyoto Line | Limited Express (Kyōto - Ise) | Yamato-Yagi (B39) | ||
| Kintetsu Tambabashi (B07: Kyoto Line) | Limited Express "Shimakaze" | Yamato-Yagi (B39) | ||
External links
References
- ↑ "Yamato-Saidaiji Station | JapanVisitor Japan Travel Guide". Archived from the original on 17 December 2019. Retrieved 17 March 2020.
- ↑ Kawashima, Ryōzō (1993). Zenkoku Tetsudō Jijō Dai-kenkyū: Ōsaka Toshin-bu, Nara Hen (in Japanese). Sōshisha. p. 134. ISBN 978-4-7942-0498-1.
- ↑ "Man taken into custody after former Japanese PM Abe Shinzo collapses | NHK WORLD-JAPAN News". 8 July 2022. Archived from the original on 8 July 2022. Retrieved 8 July 2022.

